新风系统一年的费用是多少?新风系统换滤网会不会很贵?(新风滤芯多久更换)
使用新风系统几个月后,我们会发现滤网很脏,里面有脏东西。如果没有新风系统,这些东西会直接进入我们的肺部,实在是可怕。更换滤网是我们在受污染的城市每天享受干净新鲜空气的代价。那么新风系统的年费用是多少?新风系统滤网贵吗?
市场上有不同类型的新风系统滤网。常见的有初级滤网、高效HEPA滤网和活性炭滤网,它们各自的等级高低不同。这些滤网是需要更换的,但有些滤网可以多次清洗。
那么,新风系统滤网的价格昂贵吗?新风系统的年成本取决于滤网的价格和更换频率。滤网越大越厚,使用寿命越长。不同类型和不同体积(容尘量)的滤网的价格和更换时间自然也是不同。例如,递安G4初效滤网仅48元,F7中效滤网128元,H12高效滤网168元,活性炭滤网根据含尘量在100元或200元范围内。壁挂式新风系统滤网的成本也就在400元左右的范围。
影响新风系统年成本的另一个重要因素是当地环境的污染程度。例如,在深圳,每年只需要更换一次滤网。在其他一些城市,这可能坚持不到六个月。
有没有办法延长滤网的使用寿命?有些滤网可以用水或真空吸尘器清洗。在清理完上面的灰尘和污垢后,更换时间确实会有一定的延迟。例如,中效滤网可以用真空吸尘器定期清洗,G4滤网可以用水或真空吸尘器清洗。
看看这个新的高效空气滤网和使用六个月的对比图,我们可以想象空气中看不见的灰尘有多可怕。如果没有新风系统滤网的阻挡,所有这些都会被吸入我们的肺部,危害我们的身体健康。
进入滤网并被滤网阻塞的都是什么东西?粉尘、花粉、杨柳絮、PM10、PM2.5等肉眼看不见的微粒,以及汽车尾气、化学废气、油烟等有害气体和异味,都是新风系统过滤净化的目标。如果你生活的地区出现季节性沙尘暴,或者春天的空气中有很多花粉和杨柳絮,新风系统的滤网很容易在短时间内被堵塞。对于这些地区,购买一个带有可洗的初效滤网的新风机是个好选择。
室外空气中的污染物经新风系统滤网过滤和吸附后,变得更清洁、更健康。
新风系统滤网什么时候更换?
新风系统的滤网使用到什么程度就必须要更换新的滤网呢?用科学性算法来衡量滤网的污染程度有两个难度:如果我们衡量新风机的风压变化来判断滤网的污染程度,这种方式的误差太大,更换滤网的提示可能会早来两个月,也可能会晚来两个月。如果我们衡量进入滤网的空气污染程度、机器运行的档速和连续运行时间,理论上我们可以算出滤网积累的颗粒物重量,但实际上这种方法也很难实现。因此,目前最常见的方式是累积新风机连续运行的时间,运行了一段时间(比如,半年)就出现更换滤网的提示。最后,我们也可以从滤网的颜色深浅进行辨别。
如果你的HEPA滤网已经黑到2号颜色,要尽快更换,千万不要等到1号。这样的滤网风阻已经增加了很多,会影响新风机的风量和噪音,甚至会影响电机的寿命。
如果你等到滤网脏成1号这个样子,新风机的效果一定会下降。再不进行更换, 新风系统的风机一直超负荷承受过大的风阻,容易受影响。
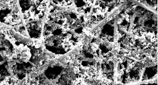
我们肉眼可见的只是滤网的颜色变黑,当这些报废的滤网放大千百倍之后,我们才能看到被滤网阻隔的污染物的真面目,下面这张图就是脏的滤网纤维上的PM2.5颗粒物:
下面的图片是新的和旧的F7中效滤网和HEPA滤网,右边的滤网用了6个月,F7已经需要更换,HEPA高效滤网还可以继续用一段时间:
就像水中的杂质一样,空气中的大多数污染物肉眼是看不见的。只有当我们看到净水器脏兮兮的过滤芯,看到新风系统黑乎乎的滤网时,我们才能深刻地理解这些脏物是我们每天无意识地吸进去的。室外空气中的污染物有多类型,幸运的是,递安新风机有厚厚的滤网,可以保护我们和家人。
新风系统滤网贵吗?新风系统的年成本与其过滤价格和更换频率密切相关。在选择和采购设备时,我们应该询问后续的耗材问题。现在,新风机并不是很贵。有不少物美价廉的产品,更何况安装新风系统是对于健康的科学投资,聪明人都知道怎么选择。






